原理特點
TK71為全電子結構,輸出信號由高精度,低溫漂的放大器放大處理,送入高精度的A/D轉換器,轉換成微處理器可以處理的數字信號,經過運算處理的信號控制兩路開關,對控制系統溫度進
TK71 溫度控制器
TK71為全電子結構,輸出信號由高精度,低溫漂的放大器放大處理,送入高精度的A/D轉換器,轉換成微處理器可以處理的數字信號,經過運算處理的信號控制兩路開關,對控制系統溫度進行測控。

安裝簡單,多種規格探頭可選,全不銹鋼外殼,結構緊湊堅固。并可選配柜裝式控制表。溫度預設開關點和延滯切換輸出。開關量可在零點到滿度之間任意設定。
氣液兩用型,可用于供水系統,液壓、氣動系統,冷卻系統,加熱系統,空調系統,自動化工程等。
| 溫度與精度 | ||||||||
| 量程范圍: | ­30…150℃ | |||||||
| 環境溫度: | ­30℃…85℃ | |||||||
| 存儲溫度: | ­30℃…75℃ | |||||||
| 相對濕度: | 0…80% | |||||||
| 輸出精度: | ±0.2% FS | |||||||
| ±0.5% FS | ||||||||
| 顯示精度: | ±0.15 FS | |||||||
| 顯示方式: | 就地顯示;LED | |||||||
| 遠傳信號可配合顯示儀表(需另購) | ||||||||
| 傳感器與精度: | PT1000 Class A | |||||||
| PT100 Class A | ||||||||
| 年漂移量: | ≤ ±0.25%量程 | |||||||
| 響應時間: | 0.5…3s(典型值1秒) | |||||||
| 耐壓 材質 防護 | ||||||||
| 探頭尺寸與耐壓: | Φ6 探頭 40 bar | |||||||
| Φ8 探頭 40 bar | ||||||||
| Φ10 探頭 100 bar | ||||||||
| 電氣倉: | 不銹鋼1.4301(304) | |||||||
| 接液材質: | 不銹鋼1.4301(304) | |||||||
| 不銹鋼1.4435 (316L) | ||||||||
| 防護等級: | IP65 | |||||||
| 適用過程連接 | ||||||||
| 外螺紋 | G1/2 | |||||||
| G1/4 | ||||||||
| M20*1.5 | ||||||||
| M27*2 | ||||||||
| 協議定制型 | ||||||||
| 輸出供電與接線 | ||||||||
| 電源范圍: | DC 19.5…28Vdc | |||||||
| 繼電器負載: | <24Vdc、1.2A | |||||||
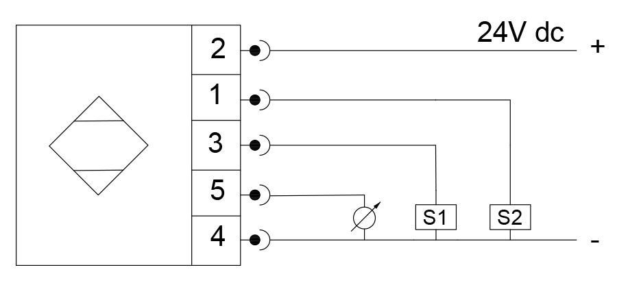
| 輸出信號: | 4…20mA+2路PNP開關量 | |||||||
| 最大功耗: | <3W | |||||||
| 電氣連接: | M12*1航空插頭 | |||||||

| M12航空插座 | 4…20mA+兩路開關量(NPN) | 4…20mA+兩路開關量(PNP) | |||||||||||||||||
![]() | ![]() | ![]() | |||||||||||||||||
| 針腳 | 顏色 | 信號 | |||||||
| 2 | 棕色 | 電源正 | |||||||
| 4 | 藍色 | 電源負 | |||||||
| 5 | 灰色 | 4…20mA | |||||||
| 3 | 黑色 | 開關輸出S1 | |||||||
| 1 | 白色 | 開關輸出S2 | |||||||
| 量程 | 增加尺寸 | 量程 | 增加尺寸 | ||||
| -30…0 °C | 0mm | 0…100 °C | 0mm | ||||
| -30…50 °C | 0mm | 0…120 °C | 0mm | ||||
| 0…50 °C | 0mm | 0…150 °C | 45mm | ||||
| 0…80 °C | 0mm | / | / |

備注:如遇現場安裝空間有限,可提出定制需求。使用壽命與精度漂移受冷卻段長度影響。


| 代碼 | 對應量程 | 代碼 | 對應量程 | 代碼 | 對應量程 | 代碼 | 對應量程 | ||||||||||||
| / | / | /PA | 0…50 °C; | /PE | 0…120°C; | /PL | 任意指定量程 (-30…150°C范圍內) | ||||||||||||
| / | / | /PB | 0…50 °C; | /PF | 0…150°C; | ||||||||||||||
| /NE | -30…0°C; | /PC | 0…80 °C; | / | / | ||||||||||||||
| /NF | -30…50 °C; | /PD | 0…100 °C; | / | / | ||||||||||||||
| TK71- | 智能溫度控制器 | |||||||||||||||||
| 信號輸出 | ||||||||||||||||||
| 4…20mA輸出 | ||||||||||||||||||
| 4…20mA模擬量+兩路開關量(PNP) | ||||||||||||||||||
| 兩路開關量(PNP) | ||||||||||||||||||
| 探頭直徑(D) | ||||||||||||||||||
| Φ6 耐壓40 bar | ||||||||||||||||||
| Φ8 耐壓40 bar | ||||||||||||||||||
| Φ10 耐壓100 bar | ||||||||||||||||||
| 螺紋連接方式 | ||||||||||||||||||
| G1/2 | ||||||||||||||||||
| G1/4 | ||||||||||||||||||
| M20*1.5 | ||||||||||||||||||
| M27*2外螺紋 | ||||||||||||||||||
| 定制型 | ||||||||||||||||||
| 探頭長度(L) | ||||||||||||||||||
| 15mm(*) | 75mm | |||||||||||||||||
| 25mm | 100mm(*) | |||||||||||||||||
| 50mm(*) | 定制方式Customized | |||||||||||||||||
| 電氣出線方式 | ||||||||||||||||||
| M12*1航空插頭 | ||||||||||||||||||
| 溫度量程 | ||||||||||||||||||
| 詳見“常規量程代碼表” | ||||||||||||||||||
| 顯示方式 | ||||||||||||||||||
| 就地有;LED發光數碼管 | ||||||||||||||||||
| 遠傳信號可配合顯示儀表(需另購顯示儀表) | ||||||||||||||||||
| 精度等級 | ||||||||||||||||||
| ±0.2% | ||||||||||||||||||
| ±0.5% | ||||||||||||||||||
| 此PDF不含選型表完整數據,如需選型請聯系銷售人員或發電子郵件至sales@kewill-auto.cn獲得完整樣本。 | ||||||||||||||||||
| 備注:“*”標為現貨常備款或快速交貨型 | ||||||||||||||||||
| KEM- | M12附線接插件 | ||||||
| 自接線柱 | |||||||
| 接插頭 | |||||||
| 直型 | |||||||
| 彎型 | |||||||
| 2米線纜長度 | |||||||
| 5米線纜長度 | |||||||
| 要求線長(m) | |||||||
| KTW- | 焊接底座 | ||||||
| G1/2底座 | |||||||
| G1/4底座 | |||||||
| 異型連接 | |||||||
| 不銹鋼1.4301(304) | |||||||
| 不銹鋼1.4435(316L) | |||||||
| 定制材質Customized | |||||||
| KTC- | 保護套管 Cannula | ||||||||
| 不銹鋼1.4301(304) | |||||||||
| 不銹鋼1.4435(316L) | |||||||||
| 鈦合金Ti | |||||||||
| 哈氏合金HB | |||||||||
| 探桿與密封面外襯PTFE | |||||||||
| 長度、螺紋、直徑與主品配套 | |||||||||
| 協議另立尺寸、螺紋、直徑 | |||||||||
地址:上海市閔行區梅蓮工業園滬光東路89號2棟1層 (201108)
電話:021-54430662
傳真:021-52271113
郵箱:info@kewill-auto.com.cn