原理特點
原理,結構 FE20污水流量計測量原理基于法拉第電磁感應定律:導電液體在磁場中切割磁力線運動時,導體中產生感應電勢, 感應電勢為E: E=KBVD 式中:K儀表常數 式中:B磁感應強度 式
FE20廢水處理污水流量計測量原理基于法拉第電磁感應定律:導電液體在磁場中切割磁力線運動時,導體中產生感應電勢,
感應電勢為E:
E=KBVD
式中:K——–儀表常數
式中:B——–磁感應強度
式中:V——–測量管截面內的平均流速
式中:D——–測量管道截面的內徑
測量流量時,導電性液體以速度V流過垂直于流量方向的磁場,導電性液體的流動感應出一個與平均流速成正比的電壓,其感應電壓信號通過二個或二個以上與液體直接接觸的感應電極檢出,并通過電纜送至轉換器通過其智能化處理,實現流體瞬時流量、積累流量的顯示及流量數據與控制系統之間的通訊。測量管內無活動及阻流部件,因此幾乎沒有壓力損失,并且有很高的可靠性。



●電磁流量計是一種測量體積流量的儀表,測量的結果與流速分布,流量壓力,溫度,密度,粘度等物理參數無關
●測量管內無活動部件,便于維護管理,所以傳感器的使用壽命長;無阻流部件,因為無壓力損失
●被測液體電導率最低可達5μS/cm,配合各種襯里材料,可適用于測量各種酸、堿、鹽溶液及泥漿、礦漿、紙漿等介質的流量,精準度較高,
通常為±0.5% ±0.2%
●由于感應電壓信號時在整個充滿磁場的空間中形成的,是管道截面上的平均值,因此傳感器所需要的直管段較短,一般為前5D后3D
●傳感器部分只有內襯和電極與被測液體接觸,只要合理選擇電極和內襯材料,即可耐腐蝕和耐磨損,保證長期的使用
●雙向測量系統,可測量正向流量,反向流量
●高清晰度背光LCD顯示,漢英菜單操作,使用方便,操作簡單,易學易懂
●轉換器性能可靠、精度高、功耗低、零點穩定、參數設定方便、LCD顯示,可以顯示累計流量、流速、流量百分比等參數
●采用16位嵌入式微處理器,運算速度快,精度高,可編程頻率低頻矩形波勵磁,提高了測量的穩定性,低功耗
●全數字量的處理,抗干擾能力強,測量可靠,精度高,流量測量范圍可達150:1
●超低EMI開關電源,使用電源電壓變化范圍大,抗EMC好
●具有RS485、RS232、HART和Modbus等數字通訊信號輸出
1、電磁流量計的正確選型需要詳細了解以下工藝參數:1、電磁流量計的正確選型需要詳細了解以下工藝參數:
| 流體名稱、成分、電導率 | 確定是否能用電磁流量計來測量 | |||||||||||||||||||||
| 流體最高溫度、最低溫度、腐蝕性、磨損性、是否有負壓 | 確定是否能用電磁流量計、選擇何種內襯、電極材料 | |||||||||||||||||||||
| 管道內外徑(mm)、常用流量、正常流量、最小流量 | 確定選擇何種口徑的電磁流量計量 | |||||||||||||||||||||
| 最高操作壓力和最底操作壓力 | 確定流量計的壓力等級 | |||||||||||||||||||||
| 安裝要求 | 確定選擇一體型還是分體型結構,分體電纜長度 | |||||||||||||||||||||
| 安裝環境 | 確定流量計的防護等級 | |||||||||||||||||||||
●實際最高工作壓力必須小于電磁流量計的額定工作壓力;
●最低工作溫度和最高工作溫度必須符合流量計量規定的溫度要求(詳見內襯材料表);
●從經濟性考慮,可以選擇適當流速所對應的口徑的電磁流量計,相對減少投資(見流量范圍表);
●根據測量目的、功能來合理選擇相應的精度等級;
●根據介質的腐蝕性來選擇電磁流量計的電極材料;
●根據介質的腐蝕性、磨損性、和溫度來選擇流量的內襯材料;
●根據安裝場合的要求及環境,來合理選擇使用一體型電磁流量計還是分體型電磁流量計。
2、電磁流量計口徑的選擇
| 公稱通徑(mm) | 可測流量范圍(m³/h) | 公稱通徑(mm) | 可測流量范圍(m³/h) | ||||||||||||||||||
| 最小 | 最大 | 最小 | 最大 | ||||||||||||||||||
| 10 | 0.003 | 3 | 350 | 2.6 | 3460 | ||||||||||||||||
| 15 | 0.005 | 6 | 400 | 3.39 | 4520 | ||||||||||||||||
| 20 | 0.009 | 11 | 450 | 4.29 | 5730 | ||||||||||||||||
| 25 | 0.014 | 17 | 500 | 5.3 | 7070 | ||||||||||||||||
| 32 | 0.023 | 29 | 600 | 7.6 | 10180 | ||||||||||||||||
| 40 | 0.035 | 45 | 700 | 14 | 13850 | ||||||||||||||||
| 50 | 0.053 | 71 | 800 | 18 | 18100 | ||||||||||||||||
| 65 | 0.089 | 119 | 900 | 23 | 22900 | ||||||||||||||||
| 80 | 0.136 | 181 | 1000 | 28 | 28300 | ||||||||||||||||
| 100 | 0.21 | 283 | 1100 | 41 | 40700 | ||||||||||||||||
| 125 | 0.374 | 441 | 1200 | 55 | 55400 | ||||||||||||||||
| 150 | 0.47 | 640 | 1400 | 64 | 63600 | ||||||||||||||||
| 200 | 0.84 | 1130 | 1600 | 72 | 72400 | ||||||||||||||||
| 250 | 1.32 | 1770 | 1800 | 92 | 91600 | ||||||||||||||||
| 300 | 1.91 | 2540 | 2000 | 113 | 113100 | ||||||||||||||||
3、電磁流量計轉換器
| FE20-D | FE20-A | |||||||||
| 電源 | DC16V TO 36V | AC 86V TO 265V | ||||||||
| 4-20mA | √ | √ | ||||||||
| 脈沖或頻率 | √ | √ | ||||||||
| 高低報警 | √ | √ | ||||||||
| RS485 | √ | √ | ||||||||
| HART | 選配 | 選配 | ||||||||
| Profibus-DP | 選配 | 選配 | ||||||||
| 非線性修正 | √ | √ | ||||||||
| 空管檢測 | √ | √ | ||||||||
| 電極自清洗 | √ | √ | ||||||||
| 自動校零 | √ | √ | ||||||||
| 漿液流量監測 | 選配 | 選配 | ||||||||
4、襯里的選擇
| 材料類型 | 主要性能 | 適用范圍 |
| 氯丁橡膠Neoprene | 耐磨性好,有極好的彈性,高扯斷力耐一般低濃度酸堿鹽介質的腐蝕,不耐氧化性介質的腐蝕。 | <80°C,一般水,污水,泥漿,礦漿 |
|
聚氨酯橡膠 Polyurethane |
有極好的耐磨性能,耐酸堿性能略差。 | <60°C,中性、強磨損的礦漿,煤漿、泥漿 |
| 聚四氟乙烯PTFE | 化學性能最穩定的一種材料,能耐沸騰的鹽酸、硫酸、硝酸和王水,濃堿和各種有機溶劑,不耐三氟化氯、高溫二氟化氧。 | 濃酸、堿等強腐蝕性介質,衛生類介質(聚四氟乙稀襯里:-30~+100℃; 高溫型四氟襯里:-20~+180℃) |
| 聚全氟乙丙烯(FEP)Fluororesin-46 | 別名:特氟隆 化學穩定性、電絕緣性、潤滑性、不粘性和不燃性與PTFE相仿,F46材料強度、耐老化性、耐溫性能和低溫柔韌性優于PTFE,與金屬粘接性能好,耐磨性好于PTFE,具有較強抗撕裂性能。 | <180°C,鹽酸、硫酸、王水和強氧化劑等,衛生類介質 |
5、電極材料的選擇
| 材料類型 | 主要性能 | 適用范圍 |
| 氯丁橡膠Neoprene | 耐磨性好,有極好的彈性,高扯斷力耐一般低濃度酸堿鹽介質的腐蝕,不耐氧化性介質的腐蝕。 | <80°C,一般水,污水,泥漿,礦漿 |
|
聚氨酯橡膠 Polyurethane |
有極好的耐磨性能,耐酸堿性能略差。 | <60°C,中性、強磨損的礦漿,煤漿、泥漿 |
| 聚四氟乙烯PTFE | 化學性能最穩定的一種材料,能耐沸騰的鹽酸、硫酸、硝酸和王水,濃堿和各種有機溶劑,不耐三氟化氯、高溫二氟化氧。 | 濃酸、堿等強腐蝕性介質,衛生類介質(聚四氟乙稀襯里:-30~+100℃; 高溫型四氟襯里:-20~+180℃) |
| 聚全氟乙丙烯(FEP)Fluororesin-46 | 別名:特氟隆 化學穩定性、電絕緣性、潤滑性、不粘性和不燃性與PTFE相仿,F46材料強度、耐老化性、耐溫性能和低溫柔韌性優于PTFE,與金屬粘接性能好,耐磨性好于PTFE,具有較強抗撕裂性能。 | <180°C,鹽酸、硫酸、王水和強氧化劑等,衛生類介質 |
6、流量計類型的選擇
分體型
分體型是電磁流量計較普遍的應用形式。傳感器單獨接在工藝管道上,轉換器安裝在相距數米或百余米的其他地方,中間用電纜相連接。分體型的流量計可以使得轉換器遠離環境比較惡劣的現場,也便于觀測和調整設定的參數。
一體型
一體型是將轉換器和傳感器組裝在一起成為一個整體,連接線在儀表內部,使用比較簡便,由于不常用電纜,外界干擾也比較小。一體型的流量計一般用于小口徑的儀表,若傳感器安裝在高處或難于觀測的場合,高溫或有較大振動的場合,轉換器的電子元件較難承受,則不宜使用一體型的電磁流量計。
7、接地環的選擇
(1)接地環的形式分普遍型和保護型,一般使用普遍型,若被測介質是磨損性的,宜使用帶頸的保護接地環,以保護進出口端的襯里,延長使用壽命。若口徑在200以下的電磁流量計,選用聚四乙烯襯里時,應選用接地環,以保證在與管道連接安裝時保護襯里不受損壞。
(2)接地環的材質應與被測介質的腐蝕性形適應,但比電極材質的要求低,因為它受到腐蝕后可以更換。接地環通常是不銹鋼或Hc合金的。
8、電磁流量計的防護等級的選擇
| IP65:防塵防噴水型 | 允許水龍頭從任何方向對傳感器噴水,噴水壓力為30KPa,出水量為12.5L/min。距離為3m | |||||||||||||||||||
| IP67:防塵防侵水型 | 防短時間侵水,侵水1m的水中約30min后,外殼侵水量不至達到有害程度 | |||||||||||||||||||
| IP68:防塵防潛水型 | 傳感器長期在水中工作 | |||||||||||||||||||
9、電磁流量計的特殊耐壓的選擇
傳感器的耐壓與其內徑有關。按國家有關標準規定,對于標準型鋼管及法蘭,其最大耐壓如下:
| 口徑 | 耐壓 | ||||||||||
| DN-10~80 | 4.0MPa | ||||||||||
| DN-100~150 | 1.6MPa | ||||||||||
| DN-200~1000 | 1.0MPa | ||||||||||
| DN-1200~2000 | 0.6MPa | ||||||||||
| DN-2200~3000 | 0.25MPa |
注:1.如果傳感器內流體的壓力超過上述最大耐壓,就屬于加壓型,需要特殊定制
2.除了聚四乙烯襯里的傳感器以外,其他襯里的傳感器都可以工作在管道負壓的狀態下
10、衛生型電磁流量計的選擇
食品、醫藥等行業要求電磁流量計與液體接觸的材料是無毒無害的,如襯里是聚四氟已烯,傳感器外殼與鏈接法蘭應是不銹鋼的。結構上要求便于拆卸和清洗滅菌,與管道連接的部位應能快速裝卸,如用活接頭連接,而不宜用法蘭鏈接。
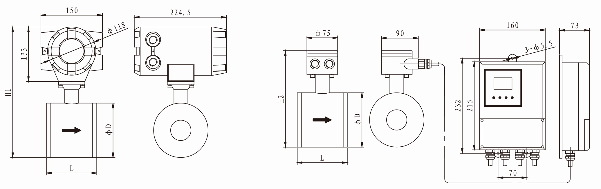
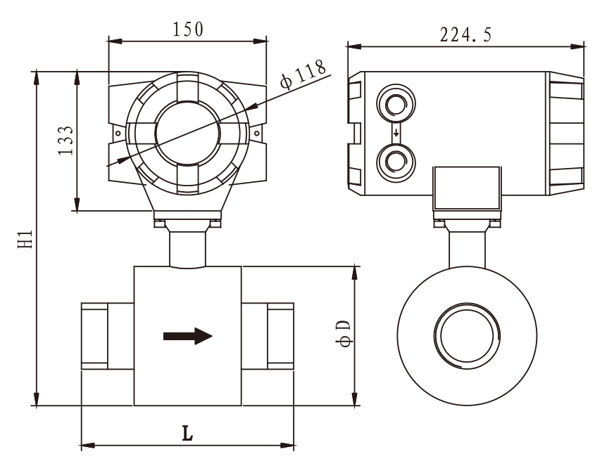
法蘭型式尺寸
一體型 分體型
FE20外形尺寸 (法蘭型:DN10 to DN50:PN40 ;DN65 to DN200;PN16 ; DN250 to DN1000 :PN10 ,其他PN6)
| 尺寸(mm) | 法蘭斷面之間尺寸 L(mm) | 法蘭外徑D(mm) | 高度H1(mm) | 高度H2(mm) | |||||||||||||||
| PTFE內襯 | 橡膠內襯 | PFA內襯 | |||||||||||||||||
| 10 | – | – | 160 | 90 | 272 | 209 | |||||||||||||
| 15 | – | – | 160 | 95 | 277 | 214 | |||||||||||||
| 20 | – | – | 160 | 105 | 284 | 221 | |||||||||||||
| 25 | 156 | – | 160 | 115 | 293 | 230 | |||||||||||||
| 32 | 156 | – | 160 | 140 | 304 | 241 | |||||||||||||
| 40 | 196 | – | 200 | 150 | 317 | 254 | |||||||||||||
| 50 | 196 | – | 200 | 165 | 331 | 268 | |||||||||||||
| 65 | 200 | 200 | 200 | 185 | 348 | 285 | |||||||||||||
| 80 | 200 | 200 | 200 | 200 | 363 | 300 | |||||||||||||
| 100 | 250 | 250 | 250 | 220 | 382 | 319 | |||||||||||||
| 125 | 250 | 250 | 250 | 250 | 414 | 351 | |||||||||||||
| 150 | 300 | 300 | 300 | 285 | 445 | 382 | |||||||||||||
| 200 | 350 | 350 | 350 | 340 | 506 | 443 | |||||||||||||
| 250 | 400 | 400 | 400 | 395 | 559 | 496 | |||||||||||||
| 300 | 500 | 500 | 500 | 445 | 609 | 546 | |||||||||||||
| 350 | 500 | 500 | 500 | 505 | 645 | 582 | |||||||||||||
| 400 | 600 | 600 | 600 | 565 | 698 | 635 | |||||||||||||
| 450 | 600 | 600 | 600 | 615 | 748 | 685 | |||||||||||||
| 500 | 600 | 600 | 600 | 670 | 803 | 740 | |||||||||||||
| 600 | 600 | 600 | 600 | 780 | 910 | 847 | |||||||||||||
| 700 | 700 | 700 | – | 895 | 1046 | 983 | |||||||||||||
| 800 | 800 | 800 | – | 1010 | 1154 | 1091 | |||||||||||||
| 900 | 900 | 900 | – | 1110 | 1254 | 1191 | |||||||||||||
| 1000 | 1000 | 1000 | – | 1225 | 1361 | 1298 | |||||||||||||
| 1200 | – | 1200 | – | 1450 | 1576 | 1513 | |||||||||||||
| 1400 | – | 1400 | – | 1675 | 1788 | 1725 | |||||||||||||
| 1600 | – | 1600 | – | 1915 | 2008 | 1945 | |||||||||||||
| 1800 | – | 1800 | – | 2115 | 2208 | 2145 | |||||||||||||
| 2000 | – | 2000 | – | 2325 | 2413 | 2350 | |||||||||||||
衛生卡箍連接型尺寸圖
| 尺寸(mm) | 表體端面尺寸 | 外徑D | H1(mm) | H2(mm) | |||||||
| L(mm) | |||||||||||
| 15 | 160 | 50.5 | 272 | 209 | |||||||
| 20 | 160 | 50.5 | 272 | 209 | |||||||
| 25 | 160 | 50.5 | 272 | 209 | |||||||
| 32 | 160 | 50.5 | 272 | 209 | |||||||
| 40 | 160 | 50.5 | 285 | 222 | |||||||
| 50 | 160 | 64 | 291 | 228 | |||||||
| 65 | 160 | 91 | 316 | 253 | |||||||
| 80 | 190 | 106 | 323 | 260 | |||||||
說明: 衛生型電磁流量計標配為二個測量電極,在選型時無需配置接地環和接地電極。
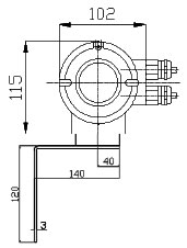
螺紋連接型尺寸圖
| 尺寸(mm) | 表體端面尺寸 | 外徑D | H1(mm) | 螺紋規格 | |||||||
| L(mm) | |||||||||||
| 10 | 160 | 89 | 272 | M30*1.5 | |||||||
| 15 | 160 | 89 | 272 | G1 | |||||||
| 20 | 160 | 89 | 272 | G1 | |||||||
| 25 | 160 | 89 | 272 | G1-1/4 | |||||||
| 32 | 160 | 89 | 272 | G1-1/2 | |||||||
| 40 | 160 | 102 | 285 | G2 | |||||||
| 50 | 190 | 108 | 291 | G2-1/2 | |||||||
電池供電式尺寸圖
| DN | L(mm) | H | D | K | n-¢d | C | 重量 | 耐壓 | ||||||||||
| 10 | 160(F46) | 310 | 95 | 65 | 4-¢14 | 14 | 6.6 | PN4.0 | ||||||||||
| 15 | 315 | 95 | 65 | 4-¢14 | 14 | 6.5 | ||||||||||||
| 20 | 323 | 105 | 75 | 4-¢14 | 16 | 6.4 | ||||||||||||
| 25 | 160 (PTFE) | 303 | 115 | 85 | 4-¢14 | 16 | 6.2 | |||||||||||
| 32 | 165 (F46) | 330 | 140 | 100 | 4-¢18 | 18 | 7.2 | |||||||||||
| 40 | 195 (PTFE) | 340 | 150 | 110 | 4-¢18 | 18 | 8.3 | |||||||||||
| 50 | 200 (F46) | 353 | 165 | 125 | 4-¢18 | 20 | 10 | |||||||||||
| 65 | 195 (PTFE) | 363 | 185 | 145 | 4-¢18 | 20 | 10.5 | PN1.6 | ||||||||||
| 80 | 200 (橡膠) | 386 | 200 | 160 | 8-¢18 | 20 | 11.4 | |||||||||||
| 100 | 245(PTFE) | 405 | 235 | 180 | 8-¢18 | 22 | 14.5 | |||||||||||
| 125 | 250 (橡膠) | 435 | 250 | 210 | 8-¢18 | 22 | 17.5 | |||||||||||
| 150 | 295 / 300 | 467 | 285 | 240 | 8-¢22 | 24 | 23 | |||||||||||
| 200 | 345 / 350 | 524 | 340 | 295 | 12-¢22 | 26 | 32 | |||||||||||
| 250 | 395 / 400 | 576 | 395 | 350 | 12-¢22 | 26 | 44 | PN1.0 | ||||||||||
| 300 | 495 / 500 | 630 | 445 | 400 | 12-¢22 | 28 | 56 | |||||||||||
| 350 | 690 | 500 | 460 | 16-¢22 | 30 | 71 | ||||||||||||
| 400 | 595 / 600 | 740 | 565 | 515 | 16-¢26 | 32 | 94 | |||||||||||
| 450 | 890 | 615 | 565 | 20-¢26 | 35 | 106 | ||||||||||||
| 500 | 840 | 670 | 620 | 20-¢26 | 38 | 129 | ||||||||||||
| 600 | 950 | 780 | 725 | 20-¢30 | 42 | 203 | ||||||||||||
| 700 | 700 | 1090 | 895 | 840 | 24-¢30 | 30 | 320 | |||||||||||
| 800 | 800 | 1200 | 1010 | 950 | 24-¢34 | 32 | 450 | |||||||||||
| 900 | 900 | 1300 | 1110 | 1050 | 28-¢34 | 34 | 580 | |||||||||||
| 1000 | 1000 | 1400 | 1220 | 1160 | 28-¢36 | 34 | 700 | |||||||||||
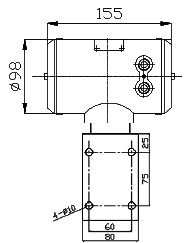
夾持式尺寸圖

| 尺寸(mm) | 表體端面尺寸 | 外徑D (mm) | H1(mm) | H2(mm) | |||||||
| L(mm) | |||||||||||
| 25 | 98 | 89 | 272 | 209 | |||||||
| 32 | 98 | 89 | 272 | 209 | |||||||
| 40 | 98 | 102 | 285 | 222 | |||||||
| 50 | 128 | 108 | 291 | 228 | |||||||
| 65 | 128 | 133 | 316 | 253 | |||||||
| 80 | 128 | 140 | 323 | 260 | |||||||
| 100 | 160 | 159 | 342 | 279 | |||||||
| 125 | 160 | 219 | 402 | 339 | |||||||
| 150 | 198 | 219 | 402 | 339 | |||||||
說明: 夾持型電磁流量計標配為二個測量電極,在選型時一定要配置接地環。否則流量計無法正常工作。
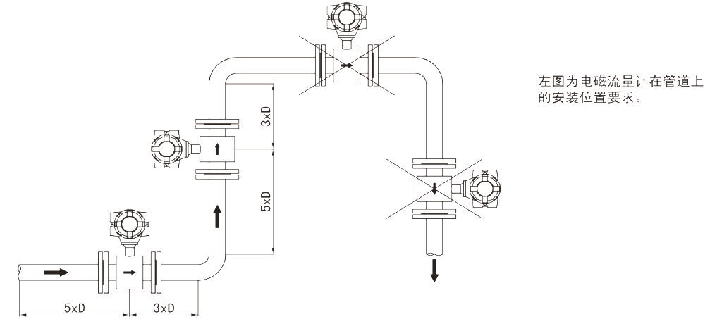
傳感器上下游直管段的要求:
為了在不同的應用條件下確保說明書所表述的精度,安裝傳感器時應從電極面上游安裝五倍管徑的直管段,下游安裝三倍管徑的直管段,見下圖所示。這種安裝可以充分排出由于彎管、閥門或縮頸引起的干擾。當流量計前后的直管段不能滿足要求時,性能指標會有一定偏差。
傳感器接地要求:
在電磁流量計傳感器于被測介質之間必須有一個可靠的接地路徑。接地的方式可以選擇接地電極,接地環和管道接地等三種方式。詳見選型表。
L1型分體遠傳顯示設定型(圓形)


L2型分體遠傳顯示設定型(方形)
地址:上海市閔行區梅蓮工業園滬光東路89號2棟1層 (201108)
電話:021-54430662
傳真:021-52271113
郵箱:info@kewill-auto.com.cn