原理特點
街流量計是利用卡門渦街原理進行測量的,在測量管中垂直插入一個柱狀物,流體通過柱狀物時,一定條件下,在柱狀兩側就會交替產生兩列有規則的旋渦,如下圖所示意,這兩列旋渦
FV10系列渦街流量計
渦街流量計是利用卡門渦街原理進行測量的,在測量管中垂直插入一個柱狀物,流體通過柱狀物時,一定條件下,在柱狀兩側就會交替產生兩列有規則的旋渦,如下圖所示意,這兩列旋渦被成為“卡門渦街”,在d/D=0.281時,釋放的旋渦最穩定,卡門渦街釋放的頻率與流體流動的速度及柱狀物的寬度等有關系,可以簡單的用下面的公式來表示:
F=St ×V/d
F:為卡門渦街的釋放頻率
St:為系數(稱為斯特羅哈數)
d:柱狀物寬度
D:儀表內徑
● 一體化液體、氣體或蒸氣質量流量計
● 采用DSP頻譜分析技術和自適應濾波技術的全數字化渦街
● 獨立于信號測量傳感器之外的測量振動傳感器 ,極優秀的抗震性能
● 優秀的低流速性能;超寬量程比17:1
● 內置溫度的探頭設計
● 可在線更換的檢測壓力測量設計
● 具有10點非線性修正功能
● 可選擇HART通訊協議或RS485通訊(MODBUS協議)
● 模塊化電路設計及豐富的自診斷功能,維修方便
● 響應速度快,適應于過程控制和自動調節
● 高溫型傳感器可以測量高達400℃的蒸汽
● 輸出與電源之間電氣隔離,具有優良的抗干擾能力
| 流體 | 條件 | 行業 | |||||||
| 氣體 | 干凈的 | 冶金、造紙、水處理、化工、輕工、紡織、食品及飲料、餐飲、農業灌溉、水電站、油田、電力和采礦等行業 | |||||||
| 易變臟的 | |||||||||
| 液體 | 干凈的 | ||||||||
| 腐蝕的 | |||||||||
| 易變臟的 | |||||||||
| 蒸汽 | 飽和蒸汽 | ||||||||
| 過熱蒸汽 | |||||||||
| 渦街流量計精度 | ||
| FV10管道式渦街流量計 | ||
| 流體 | Re:雷諾數 | 準確度 | 
| 液體 | Re≥20000 | 讀數的±0.75% | 
| 10000<Re<20000 | 讀數的±1.5% | |
| 氣體 | Re≥20000 | 讀數的±1% | 
| 蒸氣 | 10000<Re<20000 | 讀數的±1.5% | 
| FV10插入式渦街流量計 | ||
| 流體 | Re:雷諾數 | 準確度 | 
| 液體 | Re≥20000 | 讀數的±1.5% | 
| 10000<Re<20000 | 讀數的±2.5% | |
| 氣體 | Re≥20000 | 讀數的±1.5% | 
| 蒸氣 | 10000<Re<20000 | 讀數的±2.5% | 
● 重復性:測量值的±0.1%
● 響應時間:對輸入的階躍性變化響應小于50ms
● 穩定性:一年以上的穩定性是測量值的±0.1%
● 環境溫度的影響:超過工作溫度范圍是±0.25%
● 安裝位置的影響:只要能確保傳感器滿管和保證了前后足夠的直管段,則安裝無影響。
● 啟動時間:從零流量開始需要50毫秒
● 最大量程比:28:1(氣體);30:1(液體)
● 尺寸:夾持型: DN15 to DN150 ;
法蘭型: DN15 to DN300 ;
插入型: DN200 to DN2800 ;
● 流體溫度:常規型:-30 to 280℃
高溫型:-30 to 400℃
● 傳感器材質:
法蘭及外殼:不銹鋼1.4301(304) 、不銹鋼1.4435(316L)
漩渦發聲體:不銹鋼1.4301(304) 、不銹鋼1.4435(316L) 和蒙乃爾合金
檢測器材質:不銹鋼1.4435(316L) 、哈氏合金和蒙乃爾合金
連接件材質:不銹鋼1.4301(304) (與轉換器連接)
● 溫度傳感器:PT100內置于檢測探頭內,兩線制
● 壓力傳感器:可在線維修和更換
● 過程連接:DIN PN10 to PN160
ANSI class 150、300、600、900、1500
JIS 10k /JIS 20K
夾持型(Wafer)
● 壓力損失:按照右圖計算公式計算最大壓力損失
● 入口壓力:測量液體流量時,流量計對入口壓力的最低要求按計算公式計算
● 雷諾數:10000<Re<700000
● 環境溫度范圍:-20 to 140O F (-29 to 60 ℃ );
● 外殼材質:低銅壓鑄鋁 Nema 4X ,IEC60529 IP66 (標準),可定制不銹鋼材質轉換器外殼
● 供電電源: DC 16V to 36V ,1A快速熔斷保險
● 電流輸出:4 to 20 mA輸出,有源輸出,與電源隔離,負載電阻與電源的關系參考下面的關系圖
● 脈沖輸出:0~5000HZ,有源輸出,NPN方式,內帶上拉電阻,占空比50%
● 開關輸出:高低報警,兩組常開觸點,驅動能力為24VDC,30mA,驅動阻抗大于800歐姆的繼電器、報警燈和閥門
● 顯示: LED液晶,4行顯示,帶背光;瞬時流量和總量的顯示位數為9位
瞬時流量單位:m³/h、m³/m、m³/s、Gal、USAG/m、USAG/s、kg/h、kg/m、kg/s、t/h、t/m
總量單位:m³、Gal、L、kg、t
溫度單位:℃
壓力單位:Mpa
密度單位:kg/m³
頻率單位:HZ
● 算法選擇:
| 可選擇的算法 | 測量介質 | 測量及顯示 | 流量單位 | 輸出電流4 to 20mA | 脈沖輸出 | RS485輸出 | |||||||||||||||
| 氣體工況體積流量 | 氣體 | 工況下的體積流量、溫度 | m³ | 工況流量 m³/h | 標準配置 | 所有參數和數據 | |||||||||||||||
| 氣體標況體積流量 | 氣體 | 標況下體積流量、溫度、壓力 | Nm³ | 標況流量 Nm³/h | |||||||||||||||||
| 液體體積流量 | 液體 | 體積流量、溫度 | m³ | 體積流量 m³/h | |||||||||||||||||
| 液體質量流量 | 液體 | 質量流量、溫度 | kg or t | 質量流量 kg/h,t/h | |||||||||||||||||
| 飽和蒸汽溫度補償 | 飽和蒸汽 | 質量流量、溫度、密度 | kg or t | 質量流量 kg/h | |||||||||||||||||
| 飽和蒸汽壓力補償 | 飽和蒸汽 | 質量流量、溫度、壓力、密度 | kg or t | 質量流量 kg/h | |||||||||||||||||
| 飽和蒸汽溫壓補償 | 飽和蒸汽 | 質量流量、溫度、壓力、密度 | kg or t | 質量流量 kg/h | |||||||||||||||||
● 帶10段非線性處理功能
● 通訊協議: RS485通訊(modbus協議)
Hart協議 可選
RS232通訊 可選
● 校準功能: 4 to20mA校準
溫度校準
壓力校準
● 防護等級: IP65
● 電氣接口: 1/2NPT
● 功率: max 3 watts
● 防爆等級: ExdeⅡBT6
ExdeⅡCT6
| DN | 液體流速范圍m/s | 氣體流速范圍m/s | 蒸汽流速范圍m/s | ||||||||||
| Vmin | Vmax | Vmin | Vmax | Vmin | Vmax | ||||||||
| 15 | 0.5 | 9 | 7.9 | 80 | ﹣ | 85 | |||||||
| 20 | 0.4 | 9 | 6.8 | 80 | ﹣ | 85 | |||||||
| 25 | 0.35 | 9 | 5.9 | 80 | 5.5 | 85 | |||||||
| 32 | 0.3 | 9 | 4.9 | 80 | 5.5 | 85 | |||||||
| 40 | 0.3 | 9 | 4.9 | 80 | 5.5 | 85 | |||||||
| 50 | 0.3 | 9 | 4.9 | 80 | 3.9 | 85 | |||||||
| 65 | 0.3 | 9 | 4.9 | 80 | 3.9 | 85 | |||||||
| 80 | 0.3 | 9 | 4.9 | 80 | 3.9 | 85 | |||||||
| 100 | 0.3 | 9 | 4.9 | 80 | 3.9 | 85 | |||||||
| 125 | 0.3 | 9 | 4.9 | 80 | 3.9 | 85 | |||||||
| 150 | 0.3 | 9 | 4.9 | 80 | 3.9 | 85 | |||||||
| 200 | 0.35 | 9 | 5.9 | 80 | 4.4 | 85 | |||||||
| 250 | 0.4 | 9 | 6.9 | 80 | ﹣ | 85 | |||||||
| 300 | 0.4 | 9 | 6.9 | 80 | ﹣ | 85 | |||||||
| 介質 | 計算依據 | 物理參數 | ||||||
| 液體 | 水 | 密度1000kg/m³ | ||||||
| 氣體 | 空氣 | 密度1.29kg/m³ | ||||||
| 高溫氣體 | 蒸汽 | 0.7Mpa,170℃,密度4.1kg/m³ | ||||||
| FV-D | |||||
| 電源 | DC16V TO 36V | ||||
| 顯示 | LCD液晶 | ||||
| 4-20mA | √ | ||||
| 脈沖 | √ | ||||
| 高低報警 | √ | ||||
| RS485 | √ | ||||
| HART | 選配 | ||||
| RS232 | 選配 | ||||
| FV-D | |||
| 質量流量 | √ | ||
| 體積流量 | √ | ||
| 標況流量 | √ | ||
| 密度 | √ | ||
| 溫度 | √ | ||
| 壓力 | √ | ||
| 非線性修正 | √ | ||
| 信號處理 | 頻譜分析和自適應濾波技術 | ||
注意:
1、脈沖輸出、模擬量電流輸出與電源隔離
2、脈沖輸出內帶上拉電阻,NPN方式,有源輸出
3、電流輸出為有源輸出,內帶24VDC
4、高低報警回路的驅動能力為:24VDC,30mA,可以驅動繼電器,閥門和報警燈
※ 上圖為流量計前后安裝直管段的示意圖;
※ 下表為流量計的直管段要求數據表;
| 流量計入口管路 | 正確運行所必須的最小直管段長度 | ||||||||||||
| 上游直管段要求mm | 下游直管段要求mm | ||||||||||||
| 單個90度彎頭 | 20 Dia | 12 Dia | |||||||||||
| Tee | 20 Dia | 12 Dia | |||||||||||
| RDCR / EXPNDR | 20 Dia | 12 Dia | |||||||||||
| 同一平面2個90度彎頭 | 30 Dia | 17 Dia | |||||||||||
| 全開的蝶閥或者球閥 | 30 Dia | 17 Dia | |||||||||||
| Two 90’s Out of Plane | 40 Dia | 22 Dia | |||||||||||
| 控制閥 | 50 Dia | 27 Dia | |||||||||||
| P.R.V | 50 Dia | 27 Dia | |||||||||||
※ 下圖為流量計在在高溫場合的安裝要求。
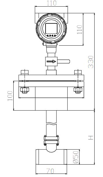
※ 下圖為流量計在管道上的正確安裝圖。
| DN | L(mm) | H(mm) | D(mm) | ||||||||||
| 夾持型 | 法蘭型 | 夾持型 | 法蘭型 | 夾持型 | 法蘭型 | ||||||||
| DN15 | 70 | 180 | 335 | 240 | 15 | 15 | |||||||
| DN20 | 70 | 180 | 335 | 240 | 20 | 20 | |||||||
| DN25 | 70 | 200 | 335 | 240 | 25 | 25 | |||||||
| DN40 | 70 | 200 | 335 | 247 | 40 | 40 | |||||||
| DN50 | 80 | 200 | 335 | 252 | 50 | 50 | |||||||
| DN65 | 80 | 200 | 345 | 260 | 65 | 65 | |||||||
| DN80 | 100 | 200 | 355 | 262 | 80 | 80 | |||||||
| DN100 | 120 | 235 | 365 | 280 | 100 | 100 | |||||||
| DN125 | 140 | 270 | 382 | 290 | 125 | 125 | |||||||
| DN150 | 160 | 300 | 395 | 305 | 150 | 150 | |||||||
| DN200 | 360 | 332 | 200 | ||||||||||
| DN250 | 400 | 355 | 250 | ||||||||||
| DN300 | 400 | 380 | 300 | ||||||||||
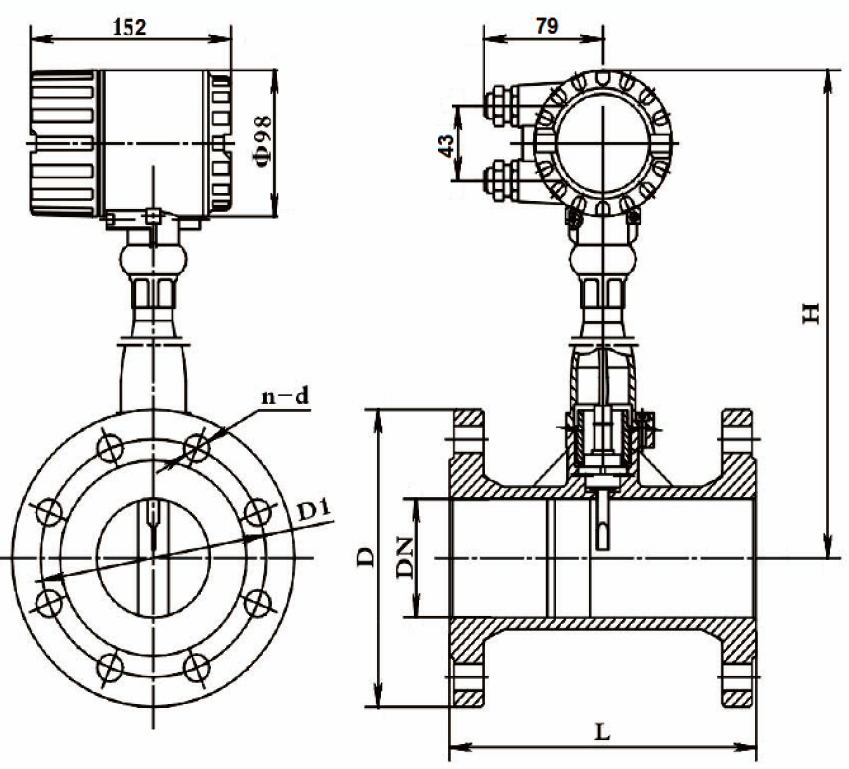
FV10-F法蘭型外形尺寸 (DIN PN16和ANSI Class150和Class300 )
| 尺寸(mm) | 法蘭之間 L(mm) | 法蘭外徑D(mm) | 高度H(mm) | |||||||||||||||||
| PN16 | Class 150 | Class300 | PN16 | class150 | class300 | PN16 | Class150 | Class300 | ||||||||||||
| 15 | 160.6 | 160.6 | 169.6 | 95 | 89 | 95 | 156 | 153 | 156 | |||||||||||
| 20 | 169.6 | 169.6 | 179.3 | 105 | 99 | 117 | 161 | 157 | 167 | |||||||||||
| 25 | 176.2 | 176.2 | 189 | 115 | 108 | 124 | 166 | 162 | 170 | |||||||||||
| 32 | 179.3 | 179.3 | 195 | 140 | 117 | 133 | 178 | 166 | 175 | |||||||||||
| 40 | 204 | 204 | 216.6 | 150 | 127 | 155 | 178 | 166 | 178 | |||||||||||
| 50 | 207 | 207 | 219.7 | 165 | 152 | 165 | 187 | 180 | 187 | |||||||||||
| 65 | 219.7 | 219.7 | 232.4 | 185 | 178 | 191 | 197 | 193 | 199 | |||||||||||
| 80 | 239.7 | 239.7 | 258.5 | 200 | 191 | 210 | 220 | 215 | 225 | |||||||||||
| 100 | 277.4 | 277.4 | 296.6 | 220 | 229 | 254 | 250 | 254 | 267 | |||||||||||
| 125 | 302.8 | 302.8 | 322 | 250 | 254 | 279 | 295 | 297 | 310 | |||||||||||
| 150 | 342.8 | 342.8 | 362 | 285 | 279 | 318 | 313 | 310 | 330 | |||||||||||
| 200 | 301.6 | 301.6 | 311.2 | 340 | 343 | 381 | 370 | 371 | 391 | |||||||||||
| 250 | 433.2 | 433.2 | 464.6 | 405 | 406 | 445 | 428 | 428 | 447 | |||||||||||
| 300 | 478.6 | 478.6 | 510 | 460 | 483 | 521 | 480 | 491 | 510 | |||||||||||
FV10-F法蘭型外形尺寸 (DIN PN25和JIS10K和JIS20K)
| 尺寸(mm) | 法蘭之間 L(mm) | 法蘭外徑D(mm) | 高度H(mm) | |||||||||||||||||
| PN25 | JIS 10K | JIS 20K | PN25 | JIS10K | JIS20K | PN25 | JIS10K | JIS20K | ||||||||||||
| 15 | 127 | 127 | 133 | 95 | 95 | 95 | 156 | 156 | 156 | |||||||||||
| 20 | 129 | 129 | 137 | 105 | 100 | 100 | 161 | 158 | 158 | |||||||||||
| 25 | 137 | 137 | 141 | 115 | 125 | 125 | 166 | 171 | 171 | |||||||||||
| 32 | 141 | 141 | 147 | 140 | 135 | 135 | 178 | 176 | 176 | |||||||||||
| 40 | 156 | 156 | 162 | 150 | 140 | 140 | 178 | 173 | 176 | |||||||||||
| 50 | 160 | 160 | 164 | 165 | 155 | 155 | 187 | 182 | 182 | |||||||||||
| 65 | 168 | 168 | 176 | 185 | 175 | 175 | 197 | 192 | 192 | |||||||||||
| 80 | 190 | 190 | 202 | 200 | 185 | 200 | 220 | 213 | 220 | |||||||||||
| 100 | 215 | 215 | 243 | 235 | 210 | 225 | 258 | 245 | 253 | |||||||||||
| 125 | 219 | 219 | 253 | 270 | 250 | 270 | 305 | 295 | 205 | |||||||||||
| 150 | 271 | 271 | 311 | 300 | 280 | 305 | 320 | 310 | 323 | |||||||||||
| 200 | 316 | 316 | 354 | 360 | 330 | 350 | 380 | 365 | 375 | |||||||||||
| 250 | 360 | 360 | 404 | 425 | 400 | 430 | 438 | 425 | 440 | |||||||||||
| 300 | 386 | 386 | 438 | 485 | 445 | 480 | 493 | 473 | 490 | |||||||||||

地址:上海市閔行區梅蓮工業園滬光東路89號2棟1層 (201108)
電話:021-54430662
傳真:021-52271113
郵箱:info@kewill-auto.com.cn